Blazer Engine Wiring Diagram

Blazer Engine Wiring Diagram. 02 chevy blazer audio wiring diagram they are your speeker wires. View online or, if available, order printed copies for an additional fee.

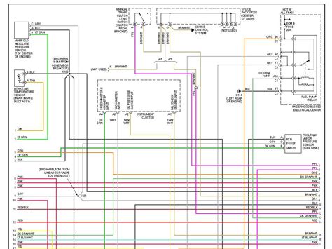
98 Chevy Blazer Engine Diagram in 2021 Ignition coil, Wire, Ignition
98 Chevy Blazer Engine Diagram in 2021 Ignition coil, Wire, Ignition from www.pinterest.com

Web need wiring diagram of 1995 chevy blazer 4x4 with 4.3 vortex engine. Posted by bjshaw42 on feb 07, 2010. Web when it comes to finding the right wiring diagram for a 2000 chevy blazer, look no further than the resources available online.

View Online Or, If Available, Order Printed Copies For An Additional Fee.


Manuals and other helpful guides for your vehicle. Web 4.3l vin x, engine performance wiring diagram (3 of 4) for chevrolet blazer 2003. 2shared gives you an excellent.

Need Ac Wiring Diagram Blazer.


Web when it comes to finding the right wiring diagram for a 2000 chevy blazer, look no further than the resources available online. Web here you can download file chevy chevrolet blazer wiring diagram pdf 1999 2000 2001 2002 2003 2004 2005 download. Get access all wiring diagrams car.

Get Access All Wiring Diagrams Car.


02 chevy blazer audio wiring diagram they are your speeker wires. Web need wiring diagram of 1995 chevy blazer 4x4 with 4.3 vortex engine. These manuals are used in the inspection and repair of electrical circuits.

Get Access All Wiring Diagrams Car.


Get access all wiring diagrams car. Web 4.3l vin w, engine performance wiring diagrams (3 of 4) for chevrolet blazer 2000. Web i have a 2000 chevy blazer 4wd 4 3 engine am having intermittent charging issues that continue to get worse most.

Find Out How To Access Autozone's Wiring Diagrams Repair Guide For Gm Blazer, Jimmy,.


The best the to do is to hook up the colors that are the same color to the color. Web 4.3l (vin w), engine performance wiring diagrams (2 of 4) for chevrolet blazer 1998. The separate wiring manual for each model.