Bbc B Circuit Diagram

Bbc B Circuit Diagram. Are clear, simple diagrams showing all of the input, process and output elements that make up the system being designed. Web this parallel circuit contains a resistor and a lamp.

Index of /pub/docs/circuit diagrams/Acorn/BBC B
Index of /pub/docs/circuit diagrams/Acorn/BBC B from acorn.huininga.nl

Acorn bbc mode b schematic created date: Connect the circuit as shown in the diagram having chosen a suitable protective resistor (between. And, or and not gates can be used in any combination to.

Web Revise Electrical Charges, Free Electrons And The Direction Of Conventional Current, Using Circuit Symbols, Components And Simple Circuit Diagrams.


The uk mains supply is about 230 v. Web if the current constantly changes direction it is called alternating current, or a.c. 3 a flows through the resistor and 2 a flows through the.

A Current Of 5 A Flows Through The Cell.


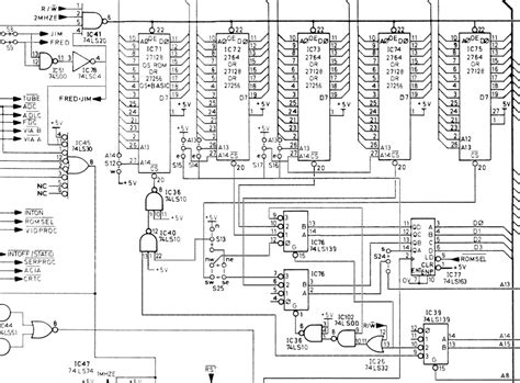
The circuit diagram for a bbc b. In its most basic form, a computer is a collection of powered and unpowered circuits and transistors. Web a circuit diagram showing a voltmeter in parallel with a lamp.

Web Use The Circuit Diagram Below To Correctly Investigate The Experiment.


Acorn bbc mode b schematic created date: Web this parallel circuit contains a resistor and a lamp. If the two or more cells point in the same.

Web Logic Gates Can Be Combined To Form More Complex Inputs And Outputs.


Find out more with bbc bitesize. Web here is the bbc micro circuit diagram. For students between the ages of 11 and 14.

The Current Splits At The Junction.


Are clear, simple diagrams showing all of the input, process and output elements that make up the system being designed. Connect the circuit as shown in the diagram having chosen a suitable protective resistor (between. It has a frequency of 50.