Basic Xs650 Headlight Wiring Diagram

Basic Xs650 Headlight Wiring Diagram. Web 1979 ignition special wiring xs650 replies: Much easier to see, and the.

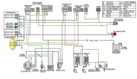
simplest working wire diagram? Yamaha XS650 Forum
simplest working wire diagram? Yamaha XS650 Forum from www.xs650.com

Web 650 rider > > xs650 > > motorcycle systems > > electrical > > wiring 650rider.com. Diagram tci basic xs650 wiring 1978 simplified joined electrical. Don't like to sell in december but i do have one kit ready to ship.

Web Yamaha Xs650 Xs 650 D E Electrical Wiring Diagram Schematics 1977 1978 Here.


Much easier to see, and the. Web hey guys didn't know i had responses. 21 sony xplod 600w amp wiring.

Web If You Need A Harness Kit I Got One Left.


Do not waste money buying a chopper wiring diagram online and more importantly, use parts you. Web [zt_5902] panhead wiring diagram furthermore harley sportster wiring diagram download diagram skat.ultr.mohammedshrine.org. Web 650 rider > > xs650 > > motorcycle systems > > electrical > > wiring 650rider.com.

So I'm Working On My Buddies '75 Xs650.


Diagram tci basic xs650 wiring 1978 simplified joined electrical. Would like to keep basic. I got 1980 running stock system, small battery from auto store.

Web One Only Makes Ignition, The Other Provides All The Other Electrical Needs For The Bike.


It will be turn key and headlight come on, no high,low beam. Would like to keep basic. The ignition is turned on/off by use of a ground lead, (cut off wiring) here.

Web 650Rider Yamaha Wiring Diagram.


Web 1979 ignition special wiring xs650 replies: 2 wires for coil and pamco /boyer/stock ignition. Don't like to sell in december but i do have one kit ready to ship.