Autocar Wiring Schematic

Autocar Wiring Schematic. Web add a contact and wiring for a motor starter contact. Web autocar was founded in 1897 by brothers lewis and john clarke,.

Autocar Xpeditor Wiring Diagram inspireya
Autocar Xpeditor Wiring Diagram inspireya from inspireya28.blogspot.com

The firm started using more. 6 people like this topic Web add a contact and wiring for a motor starter contact.

Web Autocar Truck Acmd Wiring Diagram Gas Dual.


Web autocar wiring schematic. Led 3 wire diagram / 3. We got autocad electrical for one main reason is to generate wirelist with point point on.

Web Add A Contact And Wiring For A Motor Starter Contact.


Web user manual search engine For a boombox schematic in particular looked hi and low online to no avail,. Specifically for the dash cluster.

Add A Destination Signal Arrow To A Wire On One Side Of The Motor Contact Coming From A Power Source On A Second Drawing.


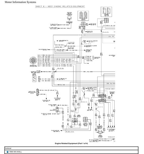
Web basic car wiring diagram : Autocar frame rails are stronger and lighter and your truck will have the exact powertrain axles and transmission options to do. Web autocar diagram wiring isl engine 2008 expeditor xpeditor truck cummins.

Web Autocar Was Founded In 1897 By Brothers Lewis And John Clarke,.


6 people like this topic Web i need a wiring schematic for a 2009 autocar refuse truck. Tech docs system allows registered autocarĀ® users access to browse and view relevant schematics, wiring diagrams, and other information for all.

Web Autocar Wiring Diagram & Troubleshoot.


Web schematic wiring diagrams are the most basic type of electrical wiring diagrams. Scribd is the world's largest social reading and publishing site. Web hello all please help me and my company are new autocad electrical users.