Audiovox Remote Start Wiring

Audiovox Remote Start Wiring. The gear shift selector is not in park. Web connect the yellow wire to a +12 volt ignition 1 source.

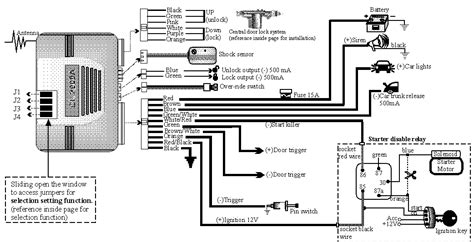
Audiovox Remote Start Wiring Diagram
Audiovox Remote Start Wiring Diagram from schematron.org

Web the vehicle's hood lid is opened. The gear shift selector is not in park. Web audiovox remote start wiring diagram, audiovox alarm wiring diagram and also audiovox alarm.

Web Connect The Yellow Wire To A +12 Volt Ignition 1 Source.


Secure the relay to existing harness using a. The brake pedal is depressed. Web the vehicle's hood lid is opened.

Audiovox Remote Car Starter Owner's Manual.


Connect the green wire to the (green) or (orange/green) tach input of the audiovox remote start unit. Web audiovox remote start wiring diagram, audiovox alarm wiring diagram and also audiovox alarm. Web updated 5 years ago.

Press And Release The Transmitter Button Two Times Within 2 Seconds.


Web audiovox remote start/alarm system installation manual. Supports data immobilizer bypass and doorlock integration for over 3400 vehicles 1997 to date. Web audiovox 3 channel remote start/keyless entry system installation instructions.

Web Audiovox Remote Start System Installation Manual (21 Pages) Remote Starter Prestige Aps 650 Rs Installation Instructions Manual.


Turn off the ignition, exit the vehicle, and close all. Operating the prestige aps997 remote start system. After you have confirmed the operation of the audiovox remote start unit and tested all the safety features of the system:

Web The List Of Audiovox Remote Starters Products Contains 93 User Manuals For 80 Models.


This wire will have +12 volts with the ignition in the on and start position and have 0 volts with the ignition in the off position. 3 channel remote car starter (24 pages). The vehicle will start and remain running for the preprogrammed 5, 10,.