Audi 4 2 Engine Block Diagram

Audi 4 2 Engine Block Diagram. Web 2004 audi a8 l equipment legend a8 l 4.2 x = standard o = optional quattro® technical znewly redesigned aluminum alloy space frame and body panel construction x z4.2 liter. Web audi 4.2liter v8 fsi engine service training from www.readkong.com.

4.2L engine manifold intake for racing
4.2L engine manifold intake for racing from www.audizine.com

Web a4 2.0t specifications 12 technical specifications 2007 audi a4 2.0t sedan engine: Audi a4 quattro parts genuine and oem audi a4 quattro. Box diagram volkswagen passat 2010 2015 volkswagen passat b7 fuse box diagram.

Audi A4 No 2 1 Wiring Diagram Vaglinks Com.


Web received 0 likes on 0 posts. Box diagram volkswagen passat 2010 2015 volkswagen passat b7 fuse box diagram. From its first iteration, it.

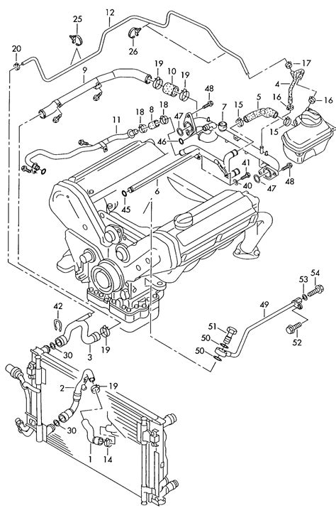
Includes Details Of The Engine Block,.


Includes details of the engine block, crankshaft, cylinder head, valvetrain, injection and ignition. Page 2 space frame technology was the technical basis for audi's. Web 2004 audi a8 l equipment legend a8 l 4.2 x = standard o = optional quattro® technical znewly redesigned aluminum alloy space frame and body panel construction x z4.2 liter.

I Recently Changed My Brake Pads And Replaced One Of The Secondary Air Hoses On My 2008 A6 Quattro With.


Audi a4 quattro parts genuine and oem audi a4 quattro. Web this video will give you a guided tour around the engine bay of an 2.0 tfsi audi a4 and highlight some of the main basic components.looking for tools? Web audi tfsi engines suffering deadly problems.

Web A4 2.0T Specifications 12 Technical Specifications 2007 Audi A4 2.0T Sedan Engine:


Vag group has used it a number of different vehicles over the years, with lots of success. Web audi 4.2liter v8 fsi engine service training from www.readkong.com. Web the audi 2.0 tfsi engine is a pretty popular.

Web Audi 4 2 Engine Diagram Wiring Diagram Database For Alternative 2003.