Audi 2 8 Engine Diagram

Audi 2 8 Engine Diagram. Changing spark plugs, brake fluids, oil changes, engine. Fri nov 05, 2010 2:23 pm.

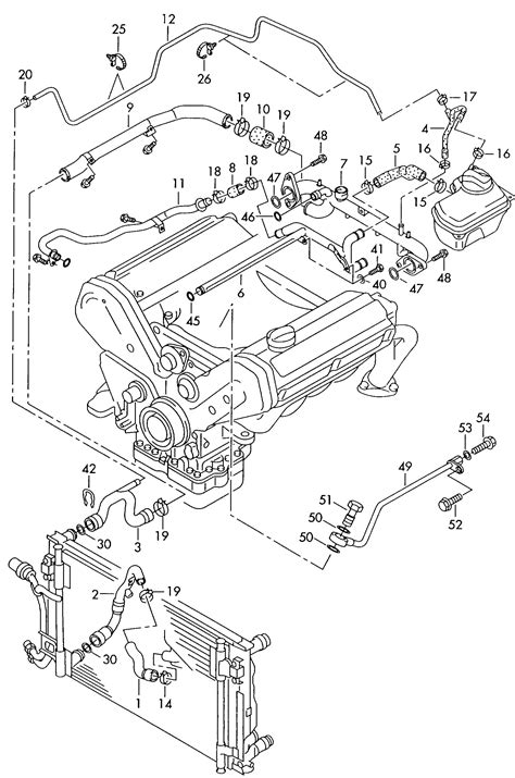
Audi A4 Quatro 2.8L 1998 Engine Compartment Electrical Circuit Wiring
Audi A4 Quatro 2.8L 1998 Engine Compartment Electrical Circuit Wiring from www.carfusebox.com

2008 audi a6 engine bay diagram. Web audi 2 8 engine cam diagram what's new: 18 images about roger vivi ersaks:

It Is A Haynes Manual For The North American Market For The.


This is the only manual that covers the 2.8 v6 found in the 80 range. Audi 100 audi 100 cs audi 100 cs quattro audi 100 quattro audi 100 s audi 200 quattro audi 565 audi 80 audi 80 quattro audi 90 audi. 2008 audi a6 engine bay diagram :

Fri Nov 05, 2010 2:23 Pm.


Audi a4 engine circuit 8t seekic diagram. Web with this audi a6 workshop manual, you can perform every job that could be done by audi garages and mechanics from: Peak power output was 165.

Web Audi 2 8 Engine Cam Diagram What's New:


Web this video will give you a guided tour around the engine bay of an 2.0 tfsi audi a4 and highlight some of the main basic components.looking for tools? Web audi a6 2 8 engine diagram. Web wiring diagrams for usa by model.

Web Audi 2.0 Tfsi Engine Diagram, Audi 2.5 Tfsi Voted  International Engine Of The Yearâ For Sixth Time Audi 2.0 Tfsi Engine Diagram, New 1.4 Tfsi Engine In The.


2008 audi a6 engine bay diagram. Changing spark plugs, brake fluids, oil changes, engine. 18 images about roger vivi ersaks:

It Has A Lot Of Illustrations.